Leinefelde-Worbis
Gehweg im Lunapark wird gesperrt
Donnerstag, 29. Februar 2024, 16:28 Uhr
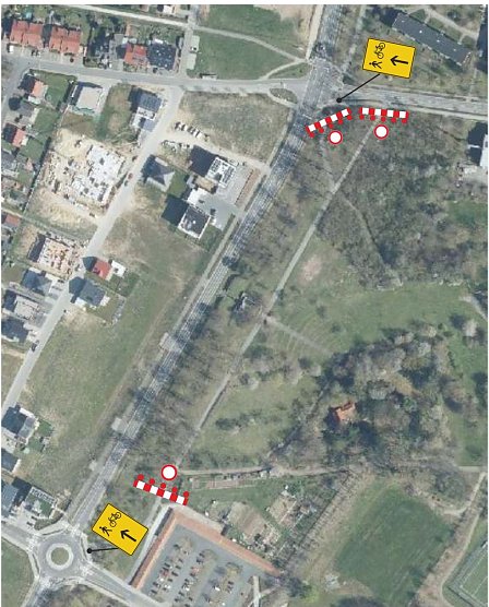
Weil der Leinefelder Lunapark im Rahmen der Landesgartenschau 2026 umgestaltet wird, muss der Durchgangsweg gesperrt werden...
Der Weg, der auch am Kriegerdenkmal entlangführt, muss vom 4. März 2024 bis Ende Februar 2025 für Passanten gesperrt werden. Fußgänger werden gebeten, den parallel verlaufenden Gehweg entlang der Mühlhäuser Chaussee bis zum Kreisverkehr Goethestraße zu nutzen.
Autor: redDer Weg, der auch am Kriegerdenkmal entlangführt, muss vom 4. März 2024 bis Ende Februar 2025 für Passanten gesperrt werden. Fußgänger werden gebeten, den parallel verlaufenden Gehweg entlang der Mühlhäuser Chaussee bis zum Kreisverkehr Goethestraße zu nutzen.

